Управление режимами локальной интеллектуальной энергосистемы на базе малой генерации
/
/
Консультирование, предпроектное обследование, содействие в подготовке ТУ, подготовка ТЗ, объединяющего в одном устройстве автооператор и автоматику, разработка программ и проведение пуско-наладочных работ, подготовка дежурного персонала, монтаж и ТО

Управление режимами локальной интеллектуальной энергосистемы на базе малой генерации

Опросный лист
Заполните опросный лист и получите расчет с лучшими ценами. С вами свяжется инженер, уточнит потребности бизнеса и предложит оптимальные решения.
Заполните форму
С вами свяжется инженер, уточнит потребности бизнеса и предложит оптимальные решения.
Преимущества
(01)
Умное решение в электроэнергетике может обеспечить дешевой электро и теплоэнергией предприятие и других потребителей
Высокая степень независимости от внешних поставщиков и колебаний цен на энергоресурсы за счет внедрения собственных источников энергии
Оптимизация потребления энергии за счет возможности распределения нагрузки в зависимости от потребностей производственных процессов и доступности энергоресурсов
Получение прибыли от продажи избытков мощности и энергии во внешнюю сеть, в т. ч. за счет заключения прямых договоров на розничном рынке
Увеличение срока службы оборудования
Снижение пиковых нагрузок за счет выполнения функции агрегатора при управлении спросом
Возможность выравнивания графика нагрузки и противоаварийного балансирования режима
ТЭСС предлагает комплекс работ по созданию и управлению режимами локальной интеллектуальной энергосистемы (ЛИЭС) на основе малой генерации, интегрированной с внешней сетью или реконструкции существующей системы энергоснабжения. Эти работы включают в себя поставку программно-технического комплекса (ПТК), который управляет выдачей мощности, загрузкой генераторов, синхронизацией работы генераторов и безопасностью работы системы. ПТК также позволяет осуществлять автоматические переходы между различными режимами работы системы.

В основе противоаварийного управления для режима параллельной работы с внешней сетью — способ режимного и противоаварийного управления, использующий опережающее (менее 80 мс) отделение сбалансированной ЛИЭС от внешней сети по заранее подготовленному автооператором фиксированному сечению.
Об услуге
(02)
На текущий момент ПТК является новым и практически единственным малозатратным способом, решающим задачу подключения ЛЭС к электрической сети, обеспечивающим согласованность работы режимной и противоаварийной автоматики, что является автоматикой нового типа.
Что входит
(03)
01
Консультирование
02
ТЗ на проектирование автоматики
05
Проектирование и поставка автоматики согласно проекту
04
Предпроектное исследование
03
Подготовка дежурного персонала
07
Разработка программ, проведение пуско-наладочных работ
06
Содействие в подготовке ТУ на присоединение к внешней сети
08
Монтаж и техническое обслуживание
Готовы начать?
Закажите консультацию!
С вами свяжется инженер, уточнит потребности бизнеса и предложит оптимальные решения.
Промышленные и производственные объекты предприятий топливно-энергетического комплекса, нефтехимической и горнодобывающей отраслей, агропромышленного комплекса, металлургической отрасли, ЖКХ, гражданского строительства, объектов ретейла.
Сферы применения
(04)
01.
Застройщики и ЖКХ
Застройщики и ЖКХ
НАДЕЖНОСТЬ И НЕЗАВИСИМОСТЬ ЭНЕРГОСНАБЖЕНИЯ:
• Высокая степень независимости от централизованных сетей, снижение рисков отключений;
• Возможность поэтапного увеличения мощности с учетом будущего расширения и модернизации.
• Снижение затрат на электроэнергию за счет собственного производства;
• Снижение количества потребляемого топлива;
• Привлекательность объектов на рынке за счет современной и эффективной энергетической инфраструктуры;
• Возможность получать государственную поддержку в виде субсидий и налоговых льгот в качестве застройщиков, реализующих проекты в области энергоэффективности.
НАДЕЖНОСТЬ И НЕЗАВИСИМОСТЬ ЭНЕРГОСНАБЖЕНИЯ:
ЭКОНОМИЧЕСКИЕ ВЫГОДЫ:
• Снижение затрат на электроэнергию за счет собственного производства;
• Снижение количества потребляемого топлива;
• Привлекательность объектов на рынке за счет современной и эффективной энергетической инфраструктуры;
• Возможность получать государственную поддержку в виде субсидий и налоговых льгот в качестве застройщиков, реализующих проекты в области энергоэффективности.
ЭКОНОМИЧЕСКИЕ ВЫГОДЫ:
• Снижение количества выбросов, что укрепляет имидж экологически ответственного застройщика;
• Следование современным требованиям государственной политики в области энергосбережения и экологии;
• Внедрение передовых технологий в области управления энергетическими ресурсами подчеркивает инновационный подход застройщика.
ИМИДЖ:
02.
Промышленные предприятия
Промышленные предприятия
НАДЕЖНОСТЬ И НЕЗАВИСИМОСТЬ ЭНЕРГОСНАБЖЕНИЯ:
• Снижение зависимости от внешних поставщиков и колебаний цен на энергоресурсы за счет внедрения собственных источников энергии;
• Минимизация рисков, связанных с внешними отключениями и перебоями в работе общей электросети
• Оптимизация потребления энергии за счет возможности распределения нагрузки в зависимости от потребностей производственных процессов и доступности энергоресурсов;
• Возможность использования побочных продуктов производства в качестве топлива для генерации энергии, что позволяет дополнительно снизить затраты на утилизацию и энергопотребление;
• Повышение эффективности и конкурентоспособности за счет внедрения передовых энергетических решений;
• Возможность получения государственных субсидий, налоговых льгот и других форм поддержки при инвестировании в энергоэффективные технологии и возобновляемые источники энергии.
НАДЕЖНОСТЬ И НЕЗАВИСИМОСТЬ ЭНЕРГОСНАБЖЕНИЯ:
ЭКОНОМИЧЕСКИЕ ВЫГОДЫ:
• Снижение затрат на электроэнергию за счет собственного производства;
• Снижение количества потребляемого топлива;
• Привлекательность объектов на рынке за счет современной и эффективной энергетической инфраструктуры;
• Возможность получать государственную поддержку в виде субсидий и налоговых льгот в качестве застройщиков, реализующих проекты в области энергоэффективности.
ЭКОНОМИЧЕСКИЕ ВЫГОДЫ:
• Снижение объема выбросов вредных веществ в атмосферу за счет интеграции систем на основе более эффективных технологий малой генерации;
• Внедрение передовых технологий в области управления энергетическими ресурсами подчеркивает инновационный подход, что влияет на репутацию компании.
ИМИДЖ:
03.
Логистические центры ретейла
Логистические центры ретейла
НАДЕЖНОСТЬ И НЕЗАВИСИМОСТЬ ЭНЕРГОСНАБЖЕНИЯ:
• Минимизация рисков отключений и снижение зависимости от внешних источников питания;
• Возможность обеспечить надежным источником питания важные участки логистического центра (холодильное оборудование, системы автоматизации);
• Возможность интеграции дополнительных мощностей по мере роста и развития логистического центра.
• Снижение затрат на электроэнергию за счет использования собственной генерации;
• Возможность оптимизации энергопотребления, адаптируя его к текущим потребностям и снижая нагрузку в периоды пиковых тарифов;
• Снижение операционных затрат и повышение эффективности операций делают логистический центр более привлекательным для ритейлеров и других клиентов;
• Доступ к государственным и международным программам поддержки за счет внедрения устойчивых и инновационных технологий.
НАДЕЖНОСТЬ И НЕЗАВИСИМОСТЬ ЭНЕРГОСНАБЖЕНИЯ:
ЭКОНОМИЧЕСКИЕ ВЫГОДЫ:
• Снижение затрат на электроэнергию за счет собственного производства;
• Снижение количества потребляемого топлива;
• Привлекательность объектов на рынке за счет современной и эффективной энергетической инфраструктуры;
• Возможность получать государственную поддержку в виде субсидий и налоговых льгот в качестве застройщиков, реализующих проекты в области энергоэффективности.
ЭКОНОМИЧЕСКИЕ ВЫГОДЫ:
• Сокращение углеродного следа за счет интеграции возобновляемых источников энергии и повышения общей энергоэффективности, что улучшает экологический профиль компании
ИМИДЖ:
Агрокомплексы
Агрокомплексы
04.
НАДЕЖНОСТЬ И НЕЗАВИСИМОСТЬ ЭНЕРГОСНАБЖЕНИЯ:
  • Отсутствие зависимости от внешних поставщиков электро и теплоэнергии
  • Защита от внешних перебоев электроэнергии и колебаний цен на энергоресурсы.
  • Повышенная автономность агрокомплекса, позволяет обеспечивать стабильное и предсказуемое энергоснабжение независимо от внешних факторов.
  • Сокращение расходов на электроэнергию и тепло за счет собственной генерации и полностью автономному управлению, обеспечиваемому автооператором нашего ПТК.
  • Углекислый газ, выделяющийся в процессе работы ГПУ, может быть использован для стимуляции роста растений в теплицах.
  • Гибкость в управлении нагрузкой помогает оптимизировать затраты в периоды пикового потребления.
  • Возможность реализации избыточной электро- и теплоэнергии на внешние рынки через прямые договоры.
  • Продление срока службы оборудования за счет снижения пиковых нагрузок и оптимизации режимов работы при подключении генерирующего оборудования к внешней сети на параллельную работу.
НАДЕЖНОСТЬ И НЕЗАВИСИМОСТЬ ЭНЕРГОСНАБЖЕНИЯ:
ЭКОНОМИЧЕСКИЕ ВЫГОДЫ:
• Снижение затрат на электроэнергию за счет собственного производства;
• Снижение количества потребляемого топлива;
• Привлекательность объектов на рынке за счет современной и эффективной энергетической инфраструктуры;
• Возможность получать государственную поддержку в виде субсидий и налоговых льгот в качестве застройщиков, реализующих проекты в области энергоэффективности.
ЭКОНОМИЧЕСКИЕ ВЫГОДЫ:
  • Экологичное использование выделяемого CO₂, подчеркивает ответственное отношение к окружающей среде.
  • Формирование имиджа компании как инновационного и экологически ответственного предприятия.
  • Привлечение партнеров и клиентов, ориентированных на устойчивые и передовые технологии, за счет демонстрации высоких стандартов надежности и эффективности.
  • Укрепление рыночных позиций благодаря энергонезависимости и экологичным решениям, что помогает выделяться среди конкурентов.
ИМИДЖ:
Центр обработки данных и пункты связи
Центр обработки данных и пункты связи
05.
НАДЕЖНОСТЬ И НЕЗАВИСИМОСТЬ ЭНЕРГОСНАБЖЕНИЯ:
  • ЦОД и пункты связи зависят от стабильного энергоснабжения для обеспечения работы серверов, телекоммуникационного оборудования и передачи данных. Параллельная работа малой генерации с централизованной сетью под управлением ПТК исключает риски простоев.
  • ПТК обеспечивает беспилотное и точное регулирование генерации, что особенно важно для обеспечения надежности инфраструктуры с высокими требованиями к времени отклика.
  • Независимость от колебаний цен и доступности энергоресурсов повышает устойчивость работы систем.
  • ПТК позволяет гибко распределять нагрузку между локальными источниками и внешней сетью, что снижает пиковые затраты и энергопотери.
  • Избыточная энергия, генерируемая локальными источниками, может быть продана на рынок, создавая дополнительный источник дохода.
  • Стабильная работа энергосистемы продлевает срок службы оборудования минимизируя расходы на ремонт и замену.
НАДЕЖНОСТЬ И НЕЗАВИСИМОСТЬ ЭНЕРГОСНАБЖЕНИЯ:
ЭКОНОМИЧЕСКИЕ ВЫГОДЫ:
• Снижение затрат на электроэнергию за счет собственного производства;
• Снижение количества потребляемого топлива;
• Привлекательность объектов на рынке за счет современной и эффективной энергетической инфраструктуры;
• Возможность получать государственную поддержку в виде субсидий и налоговых льгот в качестве застройщиков, реализующих проекты в области энергоэффективности.
ЭКОНОМИЧЕСКИЕ ВЫГОДЫ:
  • Высокая надежность энергоснабжения демонстрирует способность предоставлять стабильные услуги, что важно для клиентов.
  • Использование ПТК для управления энергоснабжением подтверждает приверженность современным решениям и передовым технологиям.
ИМИДЖ:
Мы оказываем полный комплекс услуг — от проектирования до ввода энергообъектов в эксплуатацию «под ключ». Благодаря многолетнему опыту мы выработали план эффективного сотрудничества.
Этапы работы
(05)
Клиент выходит с нами на связь, через e-mail, сайт или по телефону
Согласовываем оферту и подписываем контракт
Мы уточняем техническое задание для нового проекта
Реализация проекта (заказа)
Оцениваем, техническую возможность реализации проекта
Приемка работ и оплата, гарантийное (сервисное обслуживание)
Определяем задачи и объемы работ, представляем оферту
За эти годы компания реализовала более 800 успешных проектов в сфере строительства, реконструкции и сервисного обслуживания энергетических объектов.
Кейсы
(06)
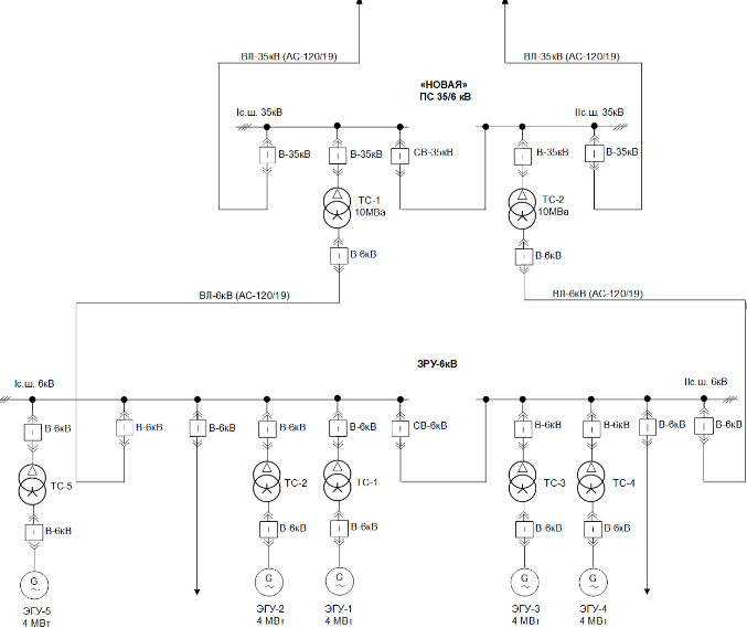
Мощностной центр. Был реализован проект по замене старой электростанция на новую более мощную с ГПУ китайского производства и строительсвом ПС для передачи избытков электроэнергии в централизованную сеть
Был реализован проект по выводу из эксплуатации старой электростанции и созданию новой с более высокой суммарной мощностью до 25 МВт, оборудованной газопоршневыми установками произвиденными в Китае. Построена подстанция с двумя трансформаторами 35/6 кВ мощностью по 10 МВт каждый, что позволяет выдавать в централизованную сеть свободную генерирующую мощность в диапазоне 10-15 МВт. Для утилизации тепла от ГПУ запущено тепличное овощеводство. Проект также направлен на создание районного энергоцентра, обеспечивающего поставку электроэнергии потребителям в районе. Центр может работать, как в автономном, так в парлельном режиме с центральной сетью. Автоматическое управление сетью реализовано на ПТК Минигрид, это даёт снижение потребности в высококвалифицированном оперативном персонале. Ориентировочный срок окупаемости проекта составляет 8 лет.
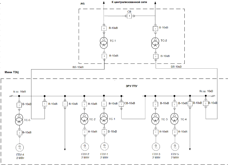
Мини ТЭЦ. Был реализован проект по строительству мини ТЭЦ для питания жилищного комплекса тепло и электроэнергией.
Был реализован проект по строительству мини ТЭЦ для питания жилищного комплекса тепло и электроэнергией с максимальной электрической мощностью 10 МВт и 8 МВт тепловой мощности, оборудованной газопоршневыми установками в колличестве 5 штук. Класс напряжения сети 10 кВ. Продажа избытков вырабатоваемой электроэнергии в центральную сеть. Мини ТЭЦ может работать, как в автономном, так в парлельном режиме с центральной сетью. Автоматическое управление сетью реализовано на ПТК Минигрид, это даёт снижение потребности в высококвалифицированном оперативном персонале. Применение данной системы привело к заинтересованностью иновациями инвесторов и снижению стоимости жилья.
Проведем аудит Вашей системы
Уже установлено управление режимами ЛИЭС? Оставьте заявку на проведение аудита вашей системы или дополнительных работ для решения проблем
Научные статьи
(08)
Системная автоматика для интеграции локальных систем электроснабжения с синхронной малой генерацией в электрические сети. Системная автоматика для интеграции локальных систем электроснабжения с синхронной малой генерацией в электрические сети
Системная автоматика для интеграции локальных систем электроснабжения с синхронной малой генерацией в электрические сети
Системная автоматика для интеграции локальных систем электроснабжения с синхронной малой генерацией в электрические сети
B рамках научно-исследовательской и опытно-конструкторской работы (НИОКР) на тему «Разработка целевой модели (прототипа) Mini/Microgrid» разработан опытный образец программно-технического комплекса сетей Minigrid (ПТК Minigrid), обеспечивающий управление нормальными и аварийными режимами работы распределëнной генерации, сетей и энергопринимающих устройств, объединëнных системой поддержания баланса вы- работки и потребления электроэнергии (Minigrid).
O разработке целевой модели (прототипа) Mini/Microgrid
O разработке целевой модели (прототипа) Mini/Microgrid
Множество причин определяет масштабное развитие малой генерации и объектов на ее основе, работающих как в составе электрических сетей существующих энергосистем, так и в удаленных районах, образующих изолированные энергосистемы малой мощности.
Активные распределительные электрические сети с децентрализованным мультиагентным управлением режимом
Активные распределительные электрические сети с децентрализованным мультиагентным управлением режимом
Обсуждаются направления развития распределенной малой генерации, обосновывается особое значения направления развития через создание Минигрид (самобалансирующихся локальных систем энергоснабжения малой мощности, способных работать, как автономно, так и параллельно с внешней энергосистемой под управлением специализированной системной автоматики).
Режимы и автоматика Минигрид, работающих в составе распределительных электрических сетей ЕЭС
Режимы и автоматика Минигрид, работающих в составе распределительных электрических сетей ЕЭС
Представлены результаты разработки цифрового двойника (симулятора) самобалансирующихся локальных интеллектуальных энергосистем (Минигридов) на основе синхронной малой генерации. Цифровой двойник адекватен реальному объекту с управлением на основе специализированной системной автоматики, использующей инновационные способы противоаварийного и режимного управления Минигридами, интегрированных в существующие электрические сети централизованного энергоснабжения.
Цифровой двойник управления режимами Минигрид

Цифровой двойник управления режимами Минигрид

Представлены результаты исследования целесообразности создания самобалан- сирующихся локальных интеллектуальных энергосистем (минигридов) на основе малой генерации с их интеграцией в существующие электрические сети централи- сованного энергоснабжения. Обосновывается предпочтительность развития рас- пределëнной по электрической сети малой генерации путём создания на еë основе самобалансирующихся минигридов для обеспечения надёжности энергоснабже- ния, экономической эффективности использования генерирующего оборудования, а также соответствия требованиям при работе этого оборудования в составе EЭC России. Представляется технология создания и управления режимами минигридов с использованием специализированной системной автоматики, реализующей инно- вационные способы противоаварийного и режимного управления.
Технические и экономические аспекты создания минигридов и их интеграции с централизованным энергоснабжением

Технические и экономические аспекты создания минигридов и их интеграции с централизованным энергоснабжением
О компании
(09)
ТЭСС - НАДЕЖНЫЙ СЕРВИСНЫЙ ПАРТНЕР
ТЭСС — современная технологическая компания по сервисному обслуживанию инженерных систем объектов промышленности и энергетики. В штате компании более 1000 человек, 53% сотрудников имеет высшее образование. В парке ТЭСС более 100 единиц специализированной техники.
20 лет
в области обеспечения энергией людей и компаний
800+
успешно реализованных проектов
23 города
присутствия на территории России
Запишитесь на консультацию!
Менеджер перезвонит и обсудит с вами индивидуальные условия работы